ROZDĚLOVAČ PULZŮ RP3

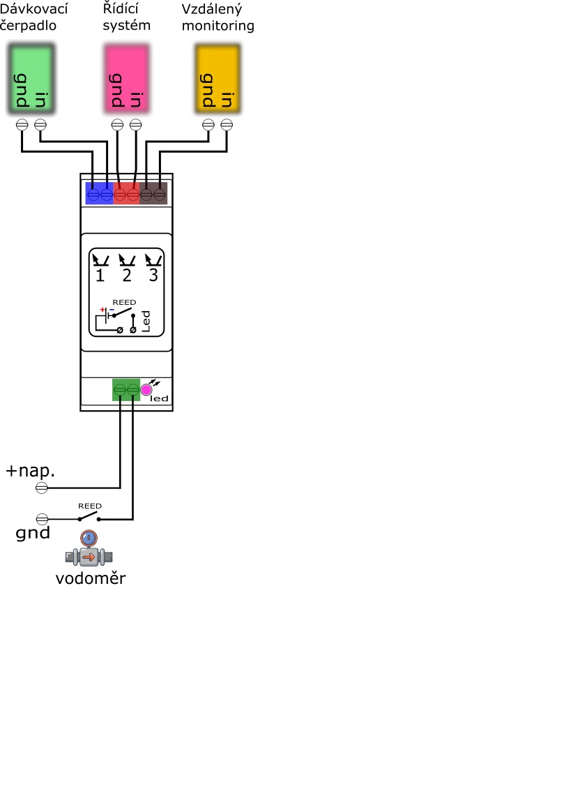
Rozdělovač impulzů (vodoměrů, počítadel, apod.) je zařízení určené k rozdělení jednoho impulzního vysílače na tři galvanicky oddělené a nezávislé přijímače pulzů.

Vstup má charakter konstantní proudové zátěže. Lze tedy připojit jakékoliv napětí v rozsahu 10..26 VDC, ale vstupní proud poteče stále stejný a to 10 mA.

Tři galvanicky oddělené výstupy jsou realizovány bipolárními NPN tranzistory, takže je nutné dodržet polaritu, velikost napájecího napětí a maximální povolený spínavý proud. Na kolektor tranzistoru je připojuje kladné napětí a na emitor záporné.

Každý výstup je odlišen jinou barvou svorkovnice – modrá, červená a černá.

Typické použití produktu je například rozbočení pulzů z vodoměru, kdy jeden výstup je použit pro dávkovací čerpadlo a druhý pro snímání pulzů nadřazeným systémem.


Dokumenty ke stažení


Poptat produkt






    Zpět na produkty

    Při poskytování služeb nám pomáhají soubory cookie. Používáním webu vyjadřujete souhlas. GDPR a ochrana soukromí.

    2026 © 4Control s. r. o., Třebíčská 774, 594 01 Velké Meziříčí